Skip to main content

This website no longer supports the Internet Explorer web browser.

Microsoft is retiring and will no longer support Internet Explorer.  Please use another web browser to access this website.  

Click here for more details.

Your browser doesn't support modern features and some functionality may not work correctly. Please update for the best experience.

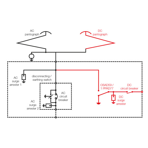
Disconnecting Switches
Disconnecting Switches
Disconnecting Switches
Disconnecting Switches

Wabtec´s disconnecting switches are designed for roof-mounted integration into the pantograph structure or on-board installation. The space- and weight-saving devices protect by earthing function 1,5 kV and 3 kV circuits during operation under AC overhead lines.

Compliant with IEC 60077, EN50388, EN45545-2 and NFPA130

Customer Benefits

On-Board switch:

  • 5 years maintenance-free
  • 50% space- and weight-saving solution (in comparison to standard roof-mounted solutions)
  • Emergency manual control included

Roof-mounted switch:

  • Robust design to withstand repeated overcurrent
  • Modular solution easily adaptable to different configurations
  • Integrated surge arrestor and revolving head for rigid HV connection

On-board disconnecting-earthing switch:

  • Designed for all AC and DC catenary systems.
  • Available actuation systems:
    • Electric drive
    • Manual operation in emergency mode
  • Designed to resist high humidity and extreme weather conditions

Roof-mounted switch:

  • Robust contact head to withstand 100 kA short circuits
  • Connecting pantograph to DC circuits
  • Earthing DC circuits under AC catenary
  • Standardized catalogue solution

 

Technical data “on-board switch”

  • Temperature range: -25° C to +70° C
  • Rated voltage: up to 25 kV AC
  • Control voltage: (24, 72) 110 V DC
  • Overvoltage category, EN 50124-1: OV3
  • Pollution degree, EN 50124-1: PD3

Technical data “roof-mounted switch”

  • Temperature range: -50°C to 70°C
  • Pollution degree, EN 50124-1: PD4
  • Overvoltage category, EN 50124-1: OV3 or OV4
  • Short circuit withstand, EN50388: Icc 100 kA peak

Contact Us

Wabtec Transit Rail

We use Google reCAPTCHA to protect against spam and ensure a secure user experience. You will need to accept Google reCAPTCHA cookies to view the Contact Form Toggle on the Functional category to view the Contact Form